Описание проекта
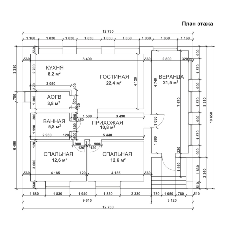
Одноэтажный кирпичный жилой дом. Площадь: 97,7 м2 Планировка: 2 спальни, кухня-гостиная, санузел, техническое помещение, веранда. Этажей: 1
Планировка
Характеристики проекта
Кровля
Стены
Кирпич
Перегородки
Перекрытия
Общая площадь строение, м2
98
Внутренняя отделка
Полезная площадь, м2
Высота потолков, м
Фундамент
Фасад
Стиль
Форма крыши
Республика Башкортостан
Комплектации
Выгодная
Тепловой контур
- Фундамент - свайно-ленточный;
- Наружные стены - облицовочный кирпич, утепление 100мм, блок 300мм;
- Перекрытие ж/б плиты;
- Крыша - 2-х скатная;
- Отопление - теплый пол, электрический котел;
- Канализация - выгребная яма;
- Водоснабжение - разводка по дому, укладка вводной трубы до точки подключения;
- Электрика - разводка электропроводки по дому;
- Окна - пластиковые, профиль 58мм, 2-х камерный стеклопакет;
- Входная дверь - термо;
Стоимость от 4 400 000 ₽
Может заинтересовать












